Мали тоалет - суптилностите на уредување на мал тоалет
Проблемот на слободниот простор во станот е еден од најитните. Понекогаш, со цел да се максимизира просторот за живеење, дизајнерите ја намалуваат големината на тоалетот на минимум. Ова треба да се земе предвид при изборот на тоалетна чинија, бидејќи гломазниот водовод не само што зазема многу простор, но нема да изгледа во затворена просторија.

За големината на санитарните апарати
Постои посебен стандард за санитарни керамички уреди, кои покрај правилата за инсталација, содржат информации за димензиите на типичните модели.
Значи, според ГОСТ 30493-96, тоалетни чинии се поделени во 3 групи по големина:
- за деца, големини на мала тоалетна чинија се 335, 405 и 290 mm, соодветно, во висина, должина и ширина;
- за модели со додадена полица, висината (370, 400 mm) и должина - 460 mm се стандардизирани;
- за модели со цврста полица, нормата воспоставува такви димензии: должина - 605 и 575 мм (потребна е претходна консултација со купувачот), ширина - 340, 360 мм.

Обрни внимание! При изборот на одреден модел, пожелно е да се даде предност на варијантата со солидна полица. Моделите со приложена полица го комплицираат процесот на поставување санитарна тела.
Не треба да се мисли дека горенаведените барања важат за сите видови тоалетни чинии. Европските модели имаат голема разновидност на големини. На пример, санитарната опрема за големи луѓе може да има димензии од 400x500x850 mm (ширина, должина и висина).
Во тоалетни простории со мали димензии може да се користи мини-тоалет, димензиите на таков санитарен апарат се: во должина - 460-590 мм; во висина - 260-335 мм, добро, ширината е еднаква на 290-350 мм.

Самостојни или вградени суспендирани модели. Димензиите на овие модели се во опсегот: должина - 470-580 мм, висина - 390-420 мм, ширина - 355-370 мм.
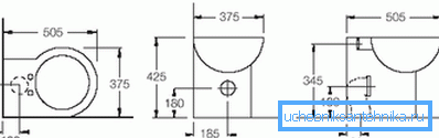
Се случува геометријата на просторијата да бара аголна поставеност на санитарната опрема. Во овој случај, димензиите на санитарниот уред се одредуваат според димензиите на самиот агол. Генерално, димензиите на овие модели се приближно во овој опсег: должина - 725-790 мм, висина - 740-815 мм, ширина - 345-375 мм.

Што тоалет за да изберете мал тоалет
Главното правило дека тоалет треба да одговара на мал тоалет е тоа што не треба да биде премногу масивен. Прво, ова ќе заштеди скапоцен простор, и второ, визуелно минијатурен водовод не ќе "падне" од целокупниот дизајн на собата. Се разбира, во исто време треба да остане удобно и да не предизвика непријатности.
Вол-обесениот тоалет е убав и ефективен
Еден од најдобрите начини да се убијат неколку птици со еден камен може да се смета за избор на модел на виси туш со инсталација. Мал висечки тоалет ќе изгледа совршено во тоалетот од било која големина, а способноста да се сокрие тоалетот цистерна ќе биде од корист само за целокупниот стил на собата.

Ова не ги завршува неговите предности. Суспендираните модели, на пример, не бараат кршење на моделот на плочки на подот, а чистењето на тоалетот станува многу полесно, бидејќи не постојат тешко достапни места под него.
Обрни внимание! Кога купувате таков санитарен уред, препорачливо е веднаш да купите инсталација за нејзина инсталација. Во овој случај, рамката е загарантирана да го издржи товарот од возрасно лице.

Единствениот недостаток на овој тип санитарни уреди може да се смета за прилично висока цена во споредба со класичните модели.
Резервоарот заедно со инсталациониот систем ќе чини не помалку од 6-7 илјади рубли, ако сметаме дека цената на тоалетот е најмалку 2,5-3 илјади рубли, лесно е да се оди подалеку од 10 илјади рубли.
По инсталацијата, се чини дека санитарната тела се прикачени директно на ѕидот и може да изгледа дека силата на таквиот приклучок е ниска. Ова не е ништо повеќе од оптичка илузија, бидејќи санитарниот уред е прикачен на челичната рамка. Значи товарот од неколку стотици килограми е сосема во рамките на моќта на суспендираниот тоалет.
Ако монтажната работа е направена со рака, тогаш е неопходно да се обезбеди лесен пристап до резервоарот при инсталирање на инсталацијата. Проблемите со инсталираните делови во него се случуваат доста често, и бидејќи самиот резервоар е скриен со партиција, нема да биде толку лесно да се дојде до него. Прашањето за пристап до внатрешноста на цистерната е решено со инсталирање на прозорецот за ревизија, во случај на дефект, ќе биде доволно само да се отстрани, по што можете да ја замените арматурата на цистерната.

Конвенционални и мини тоалети
На продажба можете да ги најдете т.н. детски модели, единствената разлика помеѓу нив од обичните модели е помала. Значи, големината на најмалите тоалети е 7-8 см помалку од вообичаените димензии. Во тоалетот, ако планирате да инсталирате мала санитарна опрема, можеби ќе треба малку да се издигне над нивото на подот, бидејќи нејзината висина не може да биде доволна за возрасни .

Фактот дека во продавниците ваквите санитарни апарати често се нарекуваат деца не ги прават несоодветни за возрасни. Единственото нешто што треба да се земе предвид е дека големината на чашата е сè уште помала од онаа на обична, така што за големите луѓе таквиот избор не може да се нарече оптимален. Покрај тоа, малку потесни рабови може да предизвикаат непријатност кога паѓаат во телото.
Во овој случај, можете да го инсталирате и вообичаениот тоалет, а со цевката и канализацијата да направите само - да се сокриете зад лажниот ѕид. Во мала соба ќе ви даде добар визуелен ефект. Поради тоа што резервоарот за исцедок е скриен зад поделбата, дури и санитарниот уред со средна големина не изгледа премногу голем во мала соба.
Обрни внимание! Со цел поправката на резервоарот да продолжи да се мачи во лажниот ѕид, неопходно е да се обезбеди прозорец за проверка.
Влијанието на големината на тоалетната чинија врз човековата удобност
Дури и најобичните тоалетни садови со несоодветна инсталација можат да донесат многу непријатност кога го користат. Исто така, при изборот треба да се земат предвид димензиите на санитарниот уред.
Упатствата за избор на санитарна опрема вклучуваат следниве ставки:
- рамки не треба да бидат премногу тесни. Инаку, тоа ќе се судрат во телото и нозете може да се вкочанат кога седат подолго време;
- неговите димензии треба да бидат такви што по инсталацијата, лицето што седи на него се чувствува сосема опуштено, мускулите на нозете не треба да бидат напната. Што се однесува до висината на уредот, треба да биде таква што нозете не висат на воздух, туку стојат на подот, колена свиткана под прав агол. Ако користите мини-тоалет, а потоа под него, можеби ќе треба да изградите мал подиум;

- Забрането е поставување санитарни тела директно на ѕидовите. Се верува дека минималното дозволено растојание до вратата треба да биде најмалку 0,6-0,7 m, а на ѕидовите на страни - 0,3 - 0,4 m. Во овој случај, ништо нема да го попречи движењето на лицето.
На крајот
При изборот на тоалетна чинија, понекогаш главниот критериум не е цената, па дури и изгледот, но неговите димензии, и покрај тоа, голем санитарен апарат не е погоден за секој тоалет. Малите тоалети може да се сметаат како универзално решение, таквите уреди изгледаат одлично и во голем тоалет и во скромна тоалет, каде што се брои секој сантиметар од слободен простор.
Краткото видео во оваа статија покажува пример за инсталирање компактен тоалет во мала бања.